APID old algorithm and inhibit inputs [ERROR 087]

Advanced PID Module 1,01,02 Block 1001 using old algorithm with inhibit inputs

This message alerts you to a place where an APID: Advanced PID Controller [FC156] block is misused, based on ABB service bulletins. You will want to verify this block is functioning correctly.

The listed firmware revision upgrade documents state that the original algorithms continue to exhibit bugs:

Function Code 156; New Algorithm types:

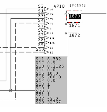
Specification S18 now accepts additional algorithm types 10, 11, 12, and 13, which are functional replacements of existing types 0, 1, 2, and 3, respectively (i.e., S18=1x executes the new replacement algorithms, S18=0x executes the original algorithms). The original algorithms were kept intact for backward compatibility with existing configurations that may rely on the current behavior. The new replacement APID algorithms correct the following problems (these problems continue to exist in the original algorithms):

  1. Increase/Decrease Inhibit: When the increase or decrease inhibit is active (Specification S9 = 1, and/or S10 = 1), a rapid, unexpected change in output may occur depending on changing error signal, changing output high and/or low limits (Specification S16 and S17), and the tuning parameters.
  2. RMAX PV: When transferring RMAX (9E+18) into the PV (Specification S1), the output jumps in the wrong direction. This problem is only evident at RMAX (i.e., for example, 9E+8 does not produce the problem).

NOTE: DBDOC does NOT report a transfer of a dynamic value equal to RMAX PV. The information is included here for your reference.

NOTE: ABB provided this information to a client that will affect people with older MFP modules, MFP02s at revision F5 or earlier.

Function Code 156; Advanced PID Controller (APID): When the algorithm type specification S18 is set to run the new "C" algorithms (S18 = 1x), the block will not accept any on-line configuration changes (for any specification). Also, if S18 is changed from 1x to 0x, the block will accept the change, but the backup module will not come on-line.

Example:

Advanced PID Module 1,11,03 Block 1870 using old algorithm with inhibit inputs.

No tool error reports 14.png

This message is likely to show an error in the system configuration. It should be reviewed. The issue raised may be in unused logic or graphics, or have other realities that make it a non-issue.

Please contact us for help resolving your error messages.