REDDI select input hardwired [CHECK 077]

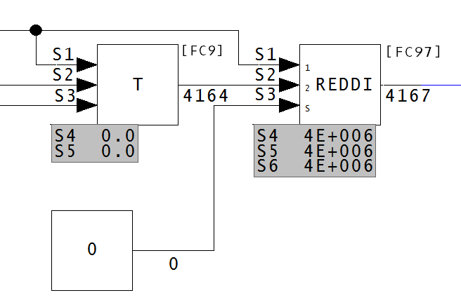
REDDI Module 1,01,02 Block 1000 has select input S3 wired from constant block Module 1,01,02 Block 1001

The select input is designed to switch between two inputs. When it is wired to a constant, no switching is possible. This is why DBDOC draws this to your attention.

Error 77.png

This message shows a potential error in the system configuration, although most such errors prove to be harmless. It should be reviewed and hidden, unless it shows an issue that should be addressed.

Please contact us for help resolving your error messages.